Sensores
São dispositivos que mudam seu comportamento sob a ação de uma grandeza física, podendo fornecer diretamente ou indiretamente um sinal que indica esta grandeza. Quando operam diretamente, convertendo uma forma de energia neutra, são chamados transdutores. Os de operação indireta alteram suas propriedades, como a resistência, a capacitância ou a indutância, sob ação de uma grandeza, de forma mais ou menos proporcional.
O sinal de um sensor pode ser usado para detectar e corrigir desvios em sistemas de controle, e nos instrumentos de medição, que freqüentemente estão associados aos SC de malha aberta (não automáticos), orientando o usuário.
Características
O controle de temperatura é necessário em processos industriais ou comerciais, como a refrigeração de alimentos e compostos químicos, fornos de fusão (produção de metais e ligas, destilação fracionada (produção de bebidas e derivados de petróleo), usinas nucleares e aquecedores e refrigeradores domésticos (fornos elétricos e microondas, freezers e geladeiras).
São resistores dependentes de temperatura.
O NTC (Negative Temperature Coeficient, Coeficiente Negativo de Temperatura), tem resistência inversamente proporcional à temperatura. Ele é feito de compostos semicondutores, como os óxido de ferro, magnésio e cromo. Segue a equação abaixo:
R = A e B/T
A e B são coeficientes que variam com a composição química e "e" é o número de Neper, 2.718.T é a temperatura, em graus Kelvin (some 273 à temperatura em Celsius, para conversão).
Sua curva característica é, então, exponencial decrescente.
Devido a seu comportamento não linear, o NTC é utilizado numa faixa pequena de temperaturas, em que a curva é próxima de uma reta, ou com uma rede de linearização, como abaixo.
Rede se linearização, Símbolo do NTC
O NTC é empregado em temperaturas de até uns 150º C.
O PTC (Positive Temperature Coeficient) tem resistência proporcional à temperatura, e atua numa faixa restrita. A variação da resistência é maior que a de um NTC, na mesma faixa. Seu uso é mais freqüente como sensor de sobretemperatura, em sistemas de proteção, por exemplo, de motores.
O diodo comum de silício, polarizado diretamente com corrente de 1mA, tem queda de tensão próxima de 0.62V, a 25oC. Esta tensão cai aproximadamente 2mV para cada ºC de aumento na temperatura, e pode ser estimada pela equação:
Vd = A - BT
A e B variam um pouco conforme o diodo. Esta equação é de uma reta, e vale até uns 125 ºC, limite para o silício.
O diodo é encontrado em controles e termômetros de baixo custo e razoável precisão, até uns 100 ºC.
Quando dois metais encostados são submetidos a uma temperatura, surge nos extremos deles uma tensão proporcional à temperatura. Este é o efeito Seebeck.
V=KT
K é uma constante para cada par de metais, que é utilizável até seu limite térmico.
Metal |
Temperatura Máxima |
Constante K |
Cobre-constantán |
375ºC |
0.1mV/ ºC |
Ferro-constantán |
750ºC |
0.0514mV/ ºC |
O custo dos termopares é elevado, e são empregados em aplicações profissionais, onde se requer alta confiabilidade e precisão.
Há circuitos integrados sensores de temperatura, como o LM 335, da National.
Oferecem alta precisão, por conterem circuitos linearizados. Operam de 0 a 100ºC aproximadamente.
2. Sensores de Luz
Além de seu uso em fotometria (incluindo analisadores de radiações e químicos), é a parte de sistemas de controle de luminosidade, como os relés fotoelétricos de iluminação pública e sensores indireto de outras grandezas, como velocidade e posição (fim de curso).
O LDR (light dependent resistor, resistor dependente da luz) tem sua resistência diminuída ao ser iluminado. É composto de um material semicondutor, o sulfeto de cádmio, CdS. A energia luminosa desloca elétrons da camada de valência para a de condução (mais longe do núcleo), aumentando o número destes, diminuindo a resistência. A resistência varia de alguns Mw, no escuro, até centenas de W, com luz solar direta.
Os usos mais comuns do LDR são em relés fotoelétricos, fotômetros e alarmes. Sua desvantagem está na lentidão de resposta, que limita sua operação.
Símbolo do LDR
É um diodo semicondutor em que a junção está exposta à luz. A energia luminosa desloca elétrons para a banda de condução, reduzindo a barreira de potencial pelo aumento do número de elétrons, que podem circular se aplicada polarização reversa.
A corrente nos foto-diodos é da ordem de dezenas de mA com alta luminosidade, e a resposta é rápida. Há foto-diodos para todas as faixas de comprimentos de onda, do infravermelho ao ultravioleta, dependendo do material.
O foto-diodo é usado como sensor em controle remoto, em sistemas de fibra óptica, leitoras de código de barras, scanner (digitalizador de imagens, para computador), canetas ópticas (que permitem escrever na tela do computador), toca-discos CD, fotômetros e como sensor indireto de posição e velocidade.

É um transistor cuja junção coletor-base fica exposta à luz e atua como um foto-diodo. O transistor amplifica a corrente, e fornece alguns mA com alta luminosidade. Sua velocidade é menor que a do foto-diodo.
Suas aplicações são as do foto-diodo, exceto sistemas de fibra-óptica, pela operação em alta freqüência.

São dispositivos que convertem energia luminosa em elétrica.
O diodo iluminado intensamente na junção pode reverter a barreira de potencial em fonte de elétrons, produzindo energia. A eficiência do processo é baixa devido a pouca transparência da junção (somente as camadas superficiais são iluminadas), apenas alguns %.
Seu uso principal está nos painéis solares.
Outro dispositivo é a foto-célula de selênio (um semicondutor), de operação similar. Usa-se em medidores de luminosidade e aparelhos de análise química (como fotocolorímetros).
3. Sensores de Velocidade
Empregam-se nos controles e medidores de velocidade de motores dentro de máquinas industriais, eletrodomésticos como videocassete e CD, unidades de disquetes e Winchesters de computadores, na geração de eletricidade (garantindo a freqüência da CA), entre outros.
É um pequeno gerador elétrico de CC, com campo fornecido por imã. A tensão gerada, pela Lei de Faraday é proporcional à velocidade com que o fluxo magnético é cortado pelo enrolamento do rotor. Assim, o Tacogerador é um transdutor mecânico elétrico linear.
V = K n
K é uma constante que depende do campo do imã, do número de espiras e pólos e das dimensões do rotor; n é a rotação do eixo (por minuto, rpm, ou segundo, rps).
A polaridade da tensão gerada depende do sentido de rotação.
Conhecido como reed-switch (em inglês), compõe-se de duas lâminas de ferro próximas, dentro de um pequeno envoltório de vidro. Ao se aproximar um imã ou solenóide as duas lâminas se encostam, fechando os contatos externos.
Instalando-se um imã na periferia de uma roda, que gira poucos mm em frente ao interruptor de lâminas, este fechará os contatos a cada volta. Se este for ligado a uma tensão contínua, gerará pulsações numa freqüência proporcional à rotação da roda.
Além de seu uso como sensor de velocidade, é encontrado em alarmes, indicando porta ou janela fechada (um imã é instalado nesta, e o reeds-witch no batente), e em sensores de fim-de-curso, em máquinas industriais, gavetas de toca-discos CD e videocassete, etc.
Empregam foto-diodos ou foto-transistor e uma fonte luminosa, lâmpada, LED ou laser. Há dois tipos básicos:
No sensor de reflexão um feixe luminoso atinge um disco com um furo ou marca de cor contrastante, que gira. O sensor recebe o feixe refletido, mas na passagem do furo a reflexão é interrompida (ou no caso de marca de cor clara a reflexão é maior), e é gerado um pulso pelo sensor.
O sensor de interrupção de luz usa também um disco com furo, e a fonte de luz e o sensor ficam em lados opostos. Na passagem pelo furo, o feixe atinge o sensor, gerando um pulso.
A freqüência destes pulsos é igual à velocidade, em rps, nos dois tipos.
As vantagens destes sensores são o menor tamanho e custo, a maior durabilidade e a leitura à distância. É usado em sistemas de controle e tacômetros portáteis.
4. Sensores de Vazão
Servem para medir o fluxo de líquidos em tubulações.
Se instalarmos uma turbina ou roda dentada numa tubulação, o fluxo fará esta girar, convertendo a vazão em velocidade, que pode ser medida como já visto.
Quando uma tubulação se estrangula, pela redução do diâmetro, há uma queda de pressão, e a velocidade do fluído aumenta. Medindo-se a diferença de pressão através do desnível numa coluna de mercúrio, pode-se calcular a vazão.
Este processo é usado em medidores de vazão em processos industriais, não automáticos.
Quando um gás ou líquido flui sobre um corpo aquecido, retira calor deste, reduzindo a temperatura de forma proporcional à velocidade do fluído.
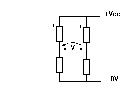
Se colocarmos um sensor de temperatura, como um NTC, aquecido a uma temperatura maior que a do fluído, podemos avaliar a vazão pela variação da resistência.
Para obtermos um sinal que compense as variações na temperatura do fluído, usamos um sensor em Ponte de Wheatstone diferencial. Há dois NTCs em contato com o fluído, mas um deles protegido do fluxo, numa cavidade, o qual faz a compensação de temperatura. A diferença de tensão indica a vazão.

Este sensor em ponte também é usado para medir diferenças de temperatura.
6. Sensores de Posição
Em aplicações em que se necessita monitorar a posição de uma peça, como tornos automáticos industriais, ou contagem de produtos, ou verificar a posição de um braço de um robô ou o alinhamento de uma antena parabólica com outra ou um satélite, usam-se sensores de posição.
Os sensores se dividem em posição linear ou angular. Também se dividem entre sensores de passagem, que indicam que foi atingida uma posição no movimento, os detetores de fim-de-curso e contadores, e sensores de posição que indicam a posição atual de uma peça, usados em medição e posicionamento.
São interruptores que são acionados pela própria peça monitorada. Há diversos tipos e tamanhos, conforme a aplicação.
Ex.: Nas gavetas de toca-discos laser e videocassetes há chaves fim-de-curso que indicam que a gaveta está fechada, ou há fita. Estas informações são necessárias ao microprocessador, para o acionamento dos motores (e do LED laser).
Também se usam com motores, na limitação do movimento, como no caso de um plotter ou impressora, ou abertura / fechamento de um registro.
Quando se aplica um campo magnético num condutor, as cargas elétricas se distribuem de modo que as positivas ficam de um lado e as negativas do lado oposto da borda do condutor. No caso de um semicondutor o efeito é mais pronunciado. Surge então uma pequena tensão nas bordas do material. É o Efeito Hall.
Ele é a base do sensor magnético Hall. Atualmente são construídos sensores em circuito integrado na forma de um transistor.
Este pode ser usado como sensor de posição se usado junto a um pequeno imã, colocado na peça. Quando esta é aproximada, o sensor atua, saturando o transistor Hall, fazendo a tensão entre coletor e emissor próxima de 0V.
Como o anterior, mas usando este interruptor acionado pelo imã.
Obs.: Os dois últimos também se usam como sensores de posição angular. Uma aplicação interessante é o motor C.C. sem escovas ("brush-less"), onde a comutação é eletrônica, feita quando o rotor, com imãs, passa por um sensor Hall, que envia um sinal ao C.I. controlador, invertendo os pólos do motor. É usado em videocassetes, CDPs e unidades de disco de computadores, pela grande precisão e facilidade de controle da velocidade.
Há duas formas básicas de usar estes: S. por reflexão, que detectam a posição pela luz que retorna a um fotosensor (fotodiodo ou f. transistor, LDR ), emitida por um LED ou lâmpada e refletida pela peça, e S. por interrupção, no qual a luz emitida é captada por um fotosensor alinhado, que percebe a presença da peça quando esta intercepta o feixe.
Este sensor é usado para contagem de peças, numa linha de produção, além das aplicações como fim-de-curso.
Sensores de posição específica
Como vimos, estes indicam a posição atual da peça, num sistema posicionado, esta pode ser linear ou angular.
Quando se aplica uma tensão nos extremos de um potenciômetro linear, a tensão entre o extremo inferior e o centro (eixo) é proporcional à posição linear (potenciômetro deslizante) ou angular (rotativo).
Nos sistemas de controle usam-se potenciômetros especiais, de alta linearidade e dimensões adequadas, de fio metálico em geral, com menor desgaste.
A capacitância depende da área das placas A, da constante dielétrica do meio, K, e da distância entre as placas, d:
C = K A / d
Nos sensores Capacitivos podemos variar qualquer destes fatores, sendo mais prático alterar a distância entre uma placa fixa e uma móvel, ou a área, fazendo uma placa móvel cilíndrica ou em semicírculo (ou várias paralelas, como no capacitor variável de sintonia) se mover em direção à outra fixa.
A variação na capacitância pode ser convertida num desvio na freqüência de um oscilador, ou num desvio do equilíbrio (tensão) numa Ponte feita com dois capacitores e dois resistores, alimentada com C.A.. O desvio de tensão será inversamente proporcional ao desvio na capacitância, neste caso, e usando um sensor por distância entre as placas, será proporcional ao deslocamento entre as placas.
Este método é usado em sensores de posição, força e pressão, havendo uma mola ou diafragma circular suspenso por borda elástica (como o cone de um alto-falante), suportando a placa móvel.
Há também o sensor por diferença de capacitância, que é um capacitor duplo, com duas placas fixas e uma móvel no centro. Também é usada a Ponte para converter a diferença de capacitância em tensão.
Num indutor, a indutância depende do número de espiras, da largura do enrolamento, ou área da espira, do comprimento do enrolamento e da permeabilidade do núcleo.
L = m N2 A / l
Nos sensores práticos, se altera em geral a permeabilidade do núcleo, deslizando um núcleo ferromagnético para dentro ou fora do enrolamento, ou aproximando uma parte do enrolamento móvel de outra fixa.
Também se usam sensores que detectam variações na permeabilidade do meio, como nos detectores de metais. Esta variação é facilmente convertida em variação na freqüência de um oscilador LC, e o desvio na freqüência acusado por um demodulador FM.
Para uso em medida de posição é comum se usar a indutância mútua, ou coeficiente de acoplamento entre 2 enrolamentos num transformador. Uma das bobinas se move em direção à outra, aumentando o acoplamento e o sinal C.A. captado nesta outra.
Todos os sensores indutivos até aqui são não lineares, o que limita o uso. Já o LVDT (Linear Variable Differential Transformer), transformador diferencial linear variável, tem esta característica, dentro de uma faixa em torno de metade do comprimento do núcleo móvel, ferromagnético. Usa 3 enrolamentos fixos, alinhados, sendo aplicada a alimentação no central, os 2 outros estão em série, mas com os terminais invertidos, de modo que as tensões se subtraem. Quando o núcleo fica na posição central, a tensão induzida nos 2 enrolamentos são iguais, se cancelando. Ao se deslocar o núcleo, o acoplamento entre o enrolamento central e cada um dos outros varia, e as tensões não se cancelam, resultando uma tensão de saída cuja fase é diferente, conforme o núcleo penetre mais numa ou outra bobina.
O LVDT é usado em posicionadores de precisão, desde frações de mm até dezenas de cm. É usado em máquinas ferramentas, CNC e robôs industriais.
São sensores que atuam por transmissão de luz. Além dos já vistos, há os encoders (codificadores), que determinam a posição através de um disco ou trilho marcado.
Se dividem em relativos, nos quais a posição é demarcada por contagem de pulsos transmitidos, acumulados ao longo do tempo, e absolutos, onde há um código digital gravado no disco ou trilho, lido por um conjunto de sensores ópticos (fonte de luz e sensor). Os códigos adotados são os de Gray, nos quais de um número para o seguinte só muda um bit, o que facilita a identificação e correção de erros.
A demarcação do disco ou trilho é feita através de furo ou ranhuras, ou por pintura num disco plástico transparente, que podem ser feitos através de técnicas fotolitográficas, permitindo grande precisão e dimensões micrométricas.
A fonte de luz é geralmente o LED, e o sensor um fotodiodo ou fototransistor.
Estes sensores são muito precisos e práticos em sistemas digitais (encoder absoluto), e usam-se em robôs, máquinas-ferramenta, CNC e outros.