
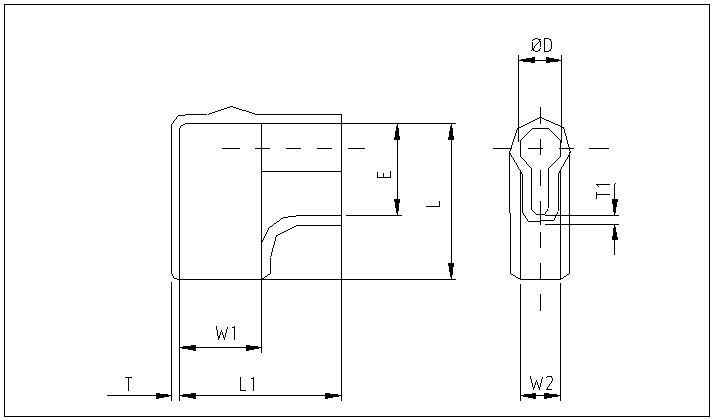
|
PART NO. |
W1 |
W2 |
D |
E |
L1 |
L2 |
t |
|
SH187-KMZ-14 |
6.0 |
2.5 |
3.0 |
8.0 |
14.0 |
13.0 |
0.8 |