The VK4YE 1 Kilowatt Linear Amplifier.

Getting started in radio | Links | Online calculators. | Projects | Software | My QSL Card
Back to the main amateur radio page

High Voltage Supply.

The amplifier works quite happily with supply voltages from 1.5 to 2.5kV. The 813 will take 3kV, but you will not find reference to it by the original manufacturer, RCA.

A pair of microwave transformers offers a very convenient means of producing a high voltage supply at minimal cost. Your local rubbish tip/recycling centre ought to have a good supply of dead microwave ovens. Secondary voltages seem to range from 1500V to 2200V. Technically, they are known as saturable reactors. They are designed to regulate their output voltage through the action of a pair of soft iron shunts inserted between the primary and the secondary windings. This feature must be disabled.

To remove these shunts, cut the heavy filament winding [ usually 3 or 4 turns ] and pull the wire out. With a piece of steel rod about 5mm in diameter, carefully tap out both shunts. Refer to page 16 of the May 1998 issue of Amateur Radio for more information on microwave transformers and removal of the shunts.

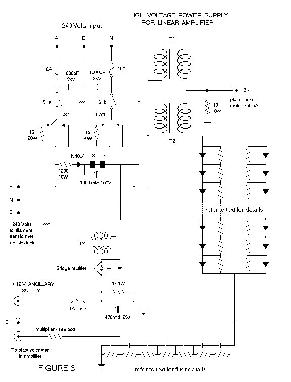
You will note that one side of the secondary winding is earthed because the microwave oven uses one transformer in a half wave rectifier circuit. You must use two similar transformers in a push pull arrangement to obtain full wave rectification. They must be phased so that they effectively behave as a single transformer with a centre tapped secondary. The schematic for this appears in Figure 3.

lin-fig3.jpg - 846 Bytes

The phasing is simple. Wire the transformers as per my circuit with the primaries in parallel. This can be done on the bench. Connect a low voltage AC supply, say 6V, to the primaries and measure the total secondary voltage, making sure the framed secondaries are connected together. The total secondary voltage should be twice that of each individual secondary voltage which in turn will be about nine or ten times the primary voltage. Expect to see 100V or more for the total secondary voltage. If the voltage is low, you have the transformers connected in anti phase. Reverse the connections of one transformer primary and remeasure. It should now be correctly connected.

I strongly suggest you use a pair of transformers with a secondary rating of around 1800V. This will give a theoretical peak rectified voltage of about 2500V across the filter capacitors. However, the bleeder resistors will pull this down to 2300V or so. If your transformers have a secondary rating of 2200Vrms, then the peak rectified voltage will exceed 3kV. I recommend you lower the primary voltage through the use of a line bucking transformer. Figure 4 shows how this is done. As this transformer's secondary carries all of the plate transformers' primary current, a continuous secondary rating of 2A or 3A should be adequate. The secondary voltage should be at least 30V and ideally be 40 - 50 volts.

lin-fig4.jpg - 846 Bytes

I did not bother with a soft start in the primary circuit for the prototype amplifier. However Figure 3 shows one which has been built and tested. The relays have 24V coils with a SPDT 30A set of contacts. They are available from Altronics [S 4199 ]. The high voltage rectifier consists of a string of 10 x 1N5408 diodes with voltage sharing resistors. These diodes are rated at 1000V PIV with a forward current of 3A. The resistors are to ensure equalisation of the reverse voltage on the non conducting cycle. Do not omit them. Each resistor has a value of 470k ohm and is rated at 1W. Use carbon resistors as they can withstand 500V working voltage and up to 1kV peak [ manufacturer's data ].

Input circuit. | Filtering.
Back to the projects main page.


Stuck in frame?
Click here

Home | About Us | Amateur Radio | Bikes | Blacksmithing | Books | Downloads
ICQ Me | Site Info | Links | The Loaded Dog

Get your Free Email account here!

Sign Guestbook | View Guestbook

  Search by: 

A web page is only as good as its weakest link. If you find a dead link please e-mail me at webmaster@loaded-dog.every1.net

All information contained on these pages is copyright ©. Please ask the respective author if you want to reproduce anything.