| Pagina Principal | Eléctrica | Sistemas | Mail: fom22ar@yahoo.com.ar |
| Nota: Hace mucho tiempo que no revizo esta Pagina y que no agrego ningun proyecto. Ahora me encuentro trabajando con PHP y estoy diseñando el siguiente sitio. Ir al Sitio | |||
| Ver todos los Proyectos | Proyecto: Semáforo para peatones |
| Proyecto: Control de Puerto Paralelo | Proyecto: Control de calefacción |
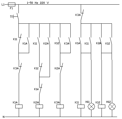
Proyecto: Control escalonado de calefacción
Fecha de
Inicio: 12/01/2002
Ultima Modificación: 13/01/2002
Si tienes algo interesante que decir o quieres aportar algo mándame un E-Mail.
Definición
del Problema: Dos elementos calefactores se tienen que
conectar para el accionamiento manual mediante impulsos de mando,
de forma que con el primer impulso se conecte el primer elemento
calefactor, con el segundo impulso el segundo elemento
calefactor, y con un tercer impulso se desconecten ambos
elementos.
Los elementos calefactores se conectan mediante los contactores
de potencia K11 y K12.Además se representa, mediante las
lamparas de señalización H11 y H12, el estado de conexión de
cada elemento calefactor.
El Problema se Resuelve en 3 Etapas:

Si desea bajar este plano en formato Autocad 14 haga click aquí.
¦ ¦ ¦ ¦ ¦ S1 K11 K3A K1A ¦ +--] [--+--]/[--+--]/[--+-------+-------+--( )--+ ¦ ¦ ¦ ¦ ¦ ¦ ¦ ¦ ¦ ¦ K1A ¦ ¦ + +--] [--+ + ¦ ¦ ¦ ¦ ¦ ¦ ¦ ¦ K11 K12 K1A K2A ¦ + +--] [--+--]/[--+--]/[--+-------+--( )--+ ¦ ¦ ¦ ¦ ¦ ¦ ¦ ¦ ¦ ¦ K2A ¦ ¦ + +--] [--+-------+ + ¦ ¦ ¦ ¦ ¦ ¦ ¦ ¦ K12 K2A K3A ¦ + +--] [--+--]/[--+-------+-------+--( )--+ ¦ ¦ ¦ ¦ ¦ ¦ ¦ ¦ ¦ ¦ K3A ¦ ¦ + +--] [--+ + ¦ ¦ ¦ ¦ ¦ K3A K1A K11 ¦ +--]/[--+--] [--+-------+-------+-------+--( )--+ ¦ ¦ ¦ ¦ ¦ ¦ ¦ ¦ ¦ ¦ K11 ¦ H11 ¦ + +--] [--+-------+-------+-------+--( )--+ ¦ ¦ ¦ ¦ ¦ ¦ ¦ ¦ K2A K12 ¦ + +--] [--+-------+-------+-------+--( )--+ ¦ ¦ ¦ ¦ ¦ ¦ ¦ ¦ ¦ ¦ K12 ¦ H12 ¦ + +--] [--+-------+-------+-------+--( )--+ ¦ ¦ ¦ ¦
Solución desarrollada con simulador de Zelio Soft de Telemecanique, se encuentro en el archivo calefacc.zip.
| calefaccion.dwg | Plano del Proyecto realizado con Autocad 14 |
| calefaccion.zel | Programa realizado con Zelio |
| calefaccion.txt | Diagrama de Contactos realizado con el editor de textos |
| MUY PRONTO | Programa realizado con LOGO!Confort |
Descargar calefacc.zip (12 Kb)