WATER as FUEL - WATERFUEL - WATERCAR - WATERGAS - WATERBURNER - WATER FIRE - WATERPOWER - WATERBREAKER - WATERERA - WATERMOTOR - WATERENERGY - 
  --------------------------------------------- 
 
Home -Introduction -Conclusion -Site Map -  Links 
Water Electrolysis Systems  - Water Explosion Systems -  Water Plasma Systems - Other Water Dissociation Systems - Other Systems
 --------------------------------------------- 
 Electrolysis menu :  CARS  -   LORRIES/GENERATORS -  WELDING -  HYSTORY and PATENTS - TRICKS - OWN REALIZATION 
#>#># Click here for a LARGER and UPDATED version of this website #<#<#
WATER ELECTROLYSIS FUEL SAVERS for CARS :
# - http://www.privatepower.ca/101/privatepower
... The 25lb. unit on the left is for trucks, while on the right is the nano quick attach proto type for cars, light trucks, motorcycles, outboards and even lawn mowers. A truck unit is being installed on our trusty 6 cylinder Jeep for September road tests.
It's called Hydrogen enhancement and it's an invention that mixes a small, fractional amount of Hydrogen through the air intake with gas, diesel, propane or natural gas to give absolutely stunning power increases, extended engine life and fuel saving increases that go off the charts on all test units.  
Technically speaking, This new device works simply by manufacturing a fractional amount of Hydrogen/oxygen and pumping it into the air intake to enrich any petroleum fuel with amazing results, like guaranteed savings of 10-20% or much more, cooler running engines, longer lasting oil and like we said - tailpipes so clean, you can almost drink the exhaust which turns back to, you guessed it, H20 water.
For accredited investors wishing a business prospectus please contact our offices week days @800-668-7788 or email Ian@privatepower.ca
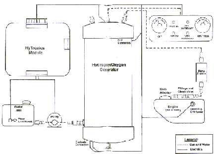
The H2N-Gen Module consists of three (3)distinctive sub assemblies, all packaged to befitted inside the engine compartment on a vehicle(in mobile applications), or inside a generatorhousing, in the proximity of the engine intakemanifold (in stationary applications)The H2N-Gen main sub assemblies shown here are:o The Hydrogen Generator Cello The Gas Separator/Dryero The Power PackThe module is engineered to fit in the envelope set out for a typical truck engine compartment. The overall package space is 16"w x 12"h x 2.5"d

--------------------------------------------- Return to the top
#>#># Click here for a LARGER and UPDATED version of this website #<#<#
# - http://www.hydrogen-boost.com Complete Hydrogen Boost System = $750

…What is the Hydrogen-Boost ; Mileage Enhancement System? The Hydrogen-Boost System is a gas mileage enhancement system based on the main component, an on-board hydrogen gas generator. We build the most efficient and maintenance free, affordable, compact hydrogen gas generators in the world. Tests have shown over 95% efficiency on some of our prototypes. Our typical hydrogen generator will produce 1.5 to 2 liters of alternative fuel gas (hydrogen and oxygen mixed) per minute using twelve volts and 20-30 amperes.
…How Does Hydrogen Boost Work? Hydrogen, in combinations with other electrolyzed gases (actually Brown's gas), introduced into the intake manifold of your engine, will accelerate the flame spread during combustion, thereby getting more of the vaporized fuel to combust during the initial part of the power stroke. The benefits of the addition of Hydrogen in an internal combustion engine, including a diesel engine have been well researched and documented.
  
…Dynamometer Tests have shown 18-31% mileage increases with equipment alone. Road Tests have shown 50-100% increases in mileage with the additional implementation of driving tips in the operator's manual. Most engines equipped with electronic fuel injection and on-board computers adjust automatically, by cutting back on the amount of fuel injected. For optimum mileage gain with an extra-lean fuel ratio we recommend our electronic control circuit that helps the computer make the optimum adjustments.
 Explosion Proof Electrolyzer  
 Dynamometer Tested  
--------------------------------------------- Return to the top
#>#># Click here for a LARGER and UPDATED version of this website #<#<#
# - http://www.hypowerfuel.com
The HyPower Pak® is a retrofit device that can be installed and connected to any internal combustion engine, regardless of the engine's fuel source. It is a closed chamber unit that produces hydrogen and oxygen on demand. There is no storage of hydrogen or oxygen, making the technology extremely safe.
... Trouble-free Effective Service : Extensive bench and field tests have demonstrated over 400,000 miles of trouble free effective service from the HyPower Pak®. 
Installation of the HyPower Pak® is accomplished with no need to modify or make adjustments to the engine. 
On-board Hydrogen Production

The product can be used on all types and combinations of fuels: gasoline, diesel, natural gas, liquid propane, methanol, ethanol and bio-diesel. 
Due to the on-board production of hydrogen and oxygen by the HyPower Pak®, there is no requirement for the marketplace to undertake or conduct any infrastructure changes. This provides an immediate solution with no extensive costs to industry or the public. In fact, the owner of a HyPower Pak® can actually SAVE money due to reduced operating costs. 
The HyPower Pak®  has been installed and tested on a variety of engines - everything from gasoline powered riding tractors to large diesel powered industrial equipment. 
 
 
Operation : The HyPower Pak®  uses proprietary electrolysis technology to convert water to hydrogen and oxygen. There are no moving parts in the unit and it can be easily installed without modifications to the engine. Unlike competing technologies, no additional infrastructure is required to implement the use of the HP technology. 
Design : The design of the HyPower Pak®  makes it easily installed on any internal combustion engine, regardless of the fuel source. © 2003 HyPower Fuel.com. All rights reserved.
--------------------------------------------- Return to the top
#>#># Click here for a LARGER and UPDATED version of this website #<#<#
# - http://www.autogas-india.com
Autogas India introduces for the first time in India " Hydrogen Generators : Fuel Cells"This fuel cell is very effective and efficient and saves about 40-60% fuel (Petrol/LPG) ; Very easy to install, you only have to connect 4 electric wires, plug a T connection to PCV valve hose, and fix the cell to the vehicle's engine bay.
The device creates 1liter of gas every 4 minutes (0,25 L/min) and with a series of cells you can increase it to 25%. The Cell produces H+O commonly known as Brown's gas. It is perfectly safe and like running your car on water !!!!! No risk whatsoever at the same time no side effect on the engine..
 - Did you know that driving 60 miles per hour and that at 70 miles an hour can make a difference up to 30% in fuel consumption. 
 - If we drive with the windows open we consume 10% more fuel. 
 - If we drive on concrete road we can take up to 30% more fuel. 
 - Maintaining a correct Air pressure in the tire can save as much as 10% fuel. 
Fractal hydrosonic hydrogen generator (QTX F - H)
  
 The principles ; The Onboard Hydrogen Generator acts an additive along with your existing fuel i.e. Gasoline.  The gas is produced by the Onboard Hydrogen Generator or the fuel cell as we commonly know it, which is drawn into the engine through the PCV valve vacuum hose. Thus the gas is mixed in the intake of the engine producing a new mix which goes to the combustion chamber and is ignited.  The Oxygen+Hydrogen+Air+fuel Vapors create a very explosive mix. Means an excellent combustion mixture.  The hydrogen as a gas additive enhances the strength of the combustion and thus help to save Fuel.  The saving results change from car to car and the way we drive to. 
 For example on a STS Cadillac, the car which gave 12 miles a gallon in city and 14 miles/gallon on highway , after installation of this system, on city driving mileage was about 21 miles a gallon and 41 miles a gallon on high way driving 60 miles by hour.                        
  For more information email us at :autogas@india.com
--------------------------------------------- Return to the top
#>#># Click here for a LARGER and UPDATED version of this website #<#<#
# - http://hydrotech.cjb.cc/booster.htm

THE PRODUCTS ARE OFFERED FOR LICENSING AND MANUFACTURING TO INVESTORS
This is an ELECTRONIC HYDROGEN GENERATOR, made after extensive research (safety measure have been taken into account,).this hydrogen generator is blast proof, means it has been designed in such a way that the chances of any kind of blast within the chamber are nil. This hydrogen generator is designed and meant for your automobiles (cars, autos, trucks etc.), it can fit probably in any car or motor vehicle.This is no miracle. Use of hydrogen in internal combustion engine is no secret, how you are going to use it, is a secret. This has baffled many great scientists worldwide. Research is going on worldwide in storing hydrogen in metal hydride tanks and uses it in internal combustion engine, but that also doesn't seem to be viable at this point of time. Someday scientists will find a solution.
  
Super hydro-booster plan (a section is removed to safeguard the invention) is shown in negative. This plan is ready and offered for licensing and manufacturing.
--------------------------------------------- Return to the top
#>#># Click here for a LARGER and UPDATED version of this website #<#<#
# - a French system: http://www.utopiatech.fr/welcome.html
  
This system is based on a sophisticated electronic and software system, using pulsed DC, looking for 'resonance frequencies' of the water/capacitor; with a continual adjusting of the frequencies, following temperature evolution … they can reach a very high efficiency of gas production, that is not possible with straight 12V DC on a single element.

Our standard generator (car model) produce more than 30 liter of this energetic gas per hour, and using only from 8 to 10 Amperes. (with a 12,7 V from battery, engine off, 9A gives : 9x12,7 /30 = 3,8 Wh/L, very high efficiency !)
More details, in French :http://perso.wanadoo.fr/quanthommesuite/utopiatech.htm
--------------------------------------------- Return to the top
#>#># Click here for a LARGER and UPDATED version of this website #<#<#
# - http://aquatune.com AquaTune Water Injection. Would You Believe This?
  
This is a finely tuned water injection system unlike any other, giving atomization of water and air before going into the engine where it is further atomized, here in turn it collides with the fuel molecules making a highly explosive mixture and expanding the fuel. As this mixture goes into the combustion chamber a marvelous thing happens - a chain reaction. All carbon starts immediately being removed inside the engine to the same state it was in when it was new. This happens because hot carbon and water don't mix, somewhat like nitro colliding with glycerine and small carbon deposits going by valve seats and helping to break off other deposits...giving a clean sweet machine with a much higher compression ratio and a more complete burning of fuels, making in essence a half steam engine, half gas engine. This makes for a sweet tune, efficient combustion and 15% to 30% more horsepower.
It's been well known for many years, and still is today, that the steam engine is the most powerful of all engines and still used on aircraft carriers for catapulting jet fighters off the carrier. Also, the water injection was used on the P-38 fighter planes during WW II and at their high altitudes gave the engine a whopping 68% more horse power. Therefore, at 2500 feet above sea level you could expect 38% more horse power; of course, that does depend on the condition of the engine and how well it has been tuned.
… Secondly, AquaTune is like no other water injection system in that it is actuality a fuel cell hydrogen processor. It produces hydrogen-rich bubbles before being introduced into the engine draft. After this it becomes an even more highly enriched hydrogen as it collides with hot metals and combustion and it drops the engine combustion temperature down. Now the engine timing can be advanced up to 7 degrees over factory specifications, if so desired.
…  water injection and an ultra-sonic barometric pressure chamber giving off ultra-sonic frequencies which in turn are splitting the hydrogen from the oxygen creating hydrogen-rich bubbles and hydrogen gases…This pressure chamber adjusts to any altitude and is not affected by heat…To further resist corrosion we use nickel-plated nipples going into and out of the unit. It has stainless steel water jetting and internal micron filtration with up to 6 microns assuring that it will never stop up.
 Note: most people are reporting from 35% to even higher better fuel mileage… your foot is much higher on the gas pedal to achieve your best miles per hour. We find that most vehicles use two (2) quarts of water to 15 gallons of fuel, depending on driving conditions. At times, we also add a 1/1 ratio of 70% by volume Isopropyl alcohol for added horsepower. This same mixture should be added to the water source in cold climates to keep it from freezing. The Isopropyl alcohol can be purchased at any drugstore or pharmacy.
We highly recommend the use of distilled water to avoid possible mineral buildup…. We have a 30-day money-back guarantee and we guarantee the unit with a five-year warranty on parts and workmanship. (NOTE: Warranty void if unit has been tampered with.) We are the AquaTune Company since 1972 and our best advertising comes from you!
Turning water into a fuel, now and in the future!

 1. How does this system work? This system consists of a barometric echo chamber which will allow for high altitude driving and will, also, automatically adjust to sea-level driving. The system will adjust to engine loads down to 2.9 inches of vacuum. This echo chamber gives off high sonic frequencies when vacuum goes through the chamber. Incoming air velocity collides with this tuning fork at 1200 feet per second which in turn vibrates the tuning fork violently. This results in the cracking of the water which makes this system more of a fuel cell than a water injection system…
… One of the beauties of this system is that it does not require any pumps or cumbersome wires or modules. On the AquaTunePlus units, only two wires need to be hooked up…
4….The whole system weighs less than two pounds and can fit in the palm of your hand, that is, without the water reservoir. The contents of this reservoir holds 2 quarts of water.
5. … On average, the contents of this reservoir will last to approximately 14 to 16 gallons of fuel… During cold weather, any temperatures below 50 degrees, it is necessary that isopropyl alcohol, 70% by volume, be added to act as an anti-freeze. As an added boost for racing vehicles, a 50-50 mixture of water and methanol can be used or a 50-50 mixture of isopropyl alcohol and water.
6. What happens if I run out of water? If the water runs out there is no harm to the engine. The only thing that happens is that the fuel economy and the horsepower revert back to what it was before the installation of this system.
7…. This system also keeps engine temperatures down by about 25 degrees Fahrenheit; keeps the O2 sensor clean; keeps the injector stems clean; and, drastically reduces emissions and excessive burning of oil. Fuel efficiency is greatly increased. Drastically reduces unburned fuels and harmful deposits, therefore extending engine life. In fact, the emissions are reduced to the point that the exhaust smells like the by-product of an ozone machine. Both the EGR valve and the catalytic converter are kept clean. Also extends the life of the spark plugs. It stops engine pinging, also known as predetonation…
8…. system is easy to install and takes approximately 1/2 hour to an hour, depending on the persons expertise....Each processor is pre-set in the factory for both water and air injection and is bench-tested to be free of defects. Any tampering to the unit will automatically void the Guarantees
9. Will this system void my new car warranty? No.  See Title 15, Chapter 50, Sec. 2301-2312 of the Magnuson-Moss Warranty Act.
10. Will putting water into my engine rust the internal parts? No. For one thing heat evaporates the water and also note, engines produce "sweat" naturally and the by-product of engine combustion is water. This is the reason you see moisture escaping through the tail-pipe, particularly in the morning.
11… Water injection systems have been around since the 1930's. However, they have come and gone in popularity. Ours has remained and is considered the best ever made because this is water injection at it's highest level. 
12… We have found that the best spark plugs to use are standard copper core plugs such as Autolite. Double platinum plugs burn too cool. Standard plugs burn at a higher rate which this system needs. And, at the same time, you are saving money because the copper plugs are less expensive. In the newer vehicles Iridium spark plugs are also acceptable.
13… With this system it's like adding 108 octane and you will receive the best performance by using ONLY lowest octane grade gasoline possible.
--------------------------------------------- Return to the top
#>#># Click here for a LARGER and UPDATED version of this website #<#<#
# - http://www.amer-grp.com/gas_station.htm
THE BASIC GAS STATION PROGRAM AT THE SIGN UP AMOUNT ($158.95) GETS YOU A CANDLESTICK BOOSTER CONFIGURED TO FIT YOUR VEHICLE APPLICATION - IT WILL BOOST MILEAGE ABOUT 25 PERCENT, but for a 100% mileage improvement guarantee you would need the:BASIC HIGH YIELD BOOSTER SYSTEM CUSTOM DIRECT REPLACEMENT FIT FOR YOUR VEHICLE, 3 GALLON TANK, ELECTRIC LEVEL GAUGE - $995.00 (Eqivalent to 12 candlestick units, includes also a fuel master, and remote mount tank)
…Most vehicles will DOUBLE their mileage…NO MODIFICATIONS TO YOUR ENGINE OR EMISSIONS CONTROL SYSTEM - 100% legal…Side benefits - less engine wear, cooler running engine, cleaner oil from lower hydrocarbons, lower emissions….If your vehicle is 3.0 Liter or under engine displacement - we offer you the 100% improvement guarantee…Large Hanging Booster. (they are both about 9" in diameter by 12" tall) …

Our most popular item which the program starts with is the "candlestick" - IF IT WILL FIT YOUR VEHICLE - type Hydrogen Generator that you can drop into your windshield washer bottle, one wire to ground, one wire to switched hot, and the gas hose up the air intake to the engine. That's it !! In winter climates just use methanol based windshield washer fluid as usual to keep it from freezing (methanol without surfactants - a.k.a. - soap, or you can use a small amount of "HEET" gas line treatment in water; as "HEET" is simply methanol). A single candlestick booster produces about .5 of a cubic inch of gas per minute. It's 1 1/4 inches in diameter and IS NOW 8 inches tall (so measure accordingly first) A single one will increase your mileage by ONLY ABOUT 25%, BY ITSELF and you can add multiple generator boosters. We will not ship it if it will not fit your vehicle.
Your vehicle will run smoother, with lower emissions, with more cruise power, and you'll find you won't need to press on the gas pedal as far to move away or along in traffic. WILL NOT harm the engine or any parts thereof or void a warranty - this is simply an ultra-high grade fuel generator. No pressure or danger of an explosion. This is a static free flow Hydrogen generator.
Nissan Pathfinder  28 mpg hwy. Improvement 56%  ; Hyundai Excel 52 mpg hwy. Improvement 58%
Saab 9000 Turbo  44 mpg hwy. Improvement  60% ; Dodge Ram  28 mpg ave. Improvement  75%
Cadillac Seville  30 mpg city.  Improvement  77% ; Honda Accord  46 mpg ave. Improvement  80% 
Hyundai Excel  45 mpg city.  Improvement  80% ; Plymouth Neon   58.8 mpg city.  Improvement 103%
Saab 9000 Turbo  40 mpg city.  Improvement 168%
Is this System Legal? Yes. It is not an after market automotive part. It does not modify, tamper with or defeat the emission control system in any way. It is not defined as a "device, apparatus, or mechanism intended for use with, or as a part of, any required motor vehicle pollution control device or system which alters or modifies the original design or performance of any such motor vehicle pollution control device or system." as defined in California's Vehicle Code at VC 27156(c), which is what is also known as "California's anti-tampering law" as defined on California's Air Resources Board (a.k.a "CARB") website. It is therefore "CARB exempt", not by Executive Order of CARB, but because it is a scavenger device of a natural fuel component of the atmosphere, NOT a "device, apparatus, or mechanism". This product is simply a fuel generator that makes a combustible vapor from the constituent components of water that results in a fuel additive - which is Hydrogen - that is mixed at the air intake as a vapor to enhance the molecular structure of any Hydro-Carbon based fuel to make it burn cleaner. The fuel could be Gasoline, Propane, Natural Gas, or yes - even Diesel fuel.
The seller : Roy Union ; American Group of Companies ; 3422 Old Capitol Trail #1068 ; Wilmington, DE 19808-6124
--------------------------------------------- Return to the top
#>#># Click here for a LARGER and UPDATED version of this website #<#<#
 # - United Nuclear Inc., Electrolysis with solar panel + storage of Hydrogen under pressure. 
Total independence to run your car from rain water and sun : http://www.switch2hydrogen.com/ 
Switch To Hydrogen! 
The United Nuclear Hydrogen Fuel System Kit converts your existing vehicle to run on Hydrogen. Complete kits will soon be available for various late-model cars & trucks as well as individual system components for those who choose to assemble their own kits.

Included in the kits is our solar powered Hydrogen Generator that manufactures the Hydrogen fuel for your vehicle at virtually zero cost. Simply put, you never have to buy Gasoline again.
 Since there are no major changes made to your engine, you can still run your vehicle on Gasoline at any time. We now have over 50,000 trouble-free miles on our prototype vehicles. We are currently fleet-testing our systems and are in final preparation for sales to the general public.
5 solar panels of 80 watt ,  48.5" x 22", are required to run the Hydrogen Generator.
  
--------------------------------------------- Return to the top
#>#># Click here for a LARGER and UPDATED version of this website #<#<#
 2001, http://www.watertorch.com/faq/faq2.html   
Q. Can I save gasoline by adding Brown's Gas to the motor air intake?
A. This is an excellent use of BG. Studies from authoritative sources have proven that adding BG (as hydrogen, oxygen and water vapor) to the combustion process of carbon based fuel (like propane, gasoline and diesel) significantly increases the combustion efficiency. This is because BG acts as a catalyst, lowering the endothermic energy needed for combustion self-propagation. This allows the combustion process to be faster and more complete (lowering emissions). It also allows more of the fuel's potential energy to be released as heat (increasing power). And finally, it allows leaner fuel ratios. So the net result is: The same power and performance using less fuel.
As little as 50 liters per hour helps the gasoline combustion process to be more efficient. This is why our HyZor Technology is so effective. 
Q. Can Brown's Gas assist the combustion of petro fuels?
 A. Absolutely and this is a good use for Brown's Gas. Our experiments show that even a tiny amount of Brown's Gas makes a noticeable improvement in petro fuel combustion. This is one basis for our HyZor Technology.
HyZor TECHNOLOGY http://www.waterfuelconverters.com/HyZor.html

 HyZor technology is a product of Eagle Research. The HyZor is an automotive fuel enhancement device. It produces Water/Fuel (Brown's Gas), which is added to the air intake just prior to the air filter. The Water/Fuel (Brown's Gas) increases the combustion efficiency of the engine, generating a net result of an increase in gas mileage. The HyZor is manufactured by Eagle Research, and is currently being sold by Water Fuel LLC for $450.00.
 The package will come with complete instruction manual, and all parts necessary to complete the installation. Any questions can be directed to the manufacturer or Water Fuel LLC. Currently there is a waiting list, which is approximately 1 month, so put your money down today, and start saving 12%-35% on you fuel costs tomorrow. The calculated average RTI (Return on Investment) is approximately 5 months, depending on driving habits, and maintenance of the vehicle.
 Book #2 in the Water as Fuel series - ISBN 1-895882-36-2 
For ALL Vehicles, Converts WATER to a Fuel, Gets up to 50% More Mileage
HyZor Technology is a direct result of combining decades of Eagle-Research's combustion enhancement (gas saver) experience, research into all previous onboard electrolyzer technology and our own world class Brown's Gas innovation. 
HyZor Technology shows how to build, install and operate the world's most efficient onboard electrolyzer technology. 
 o Works on any vehicle (carbureted or fuel injected) 
 o Converts WATER to a fuel (hydrogen, oxygen and water vapor) 
 o Enhances combustion efficiency of Gasoline, Diesel and Propane 
 o Effectively reduces pollution (Can pass California Standards) 
 o Makes more MPG or Km/L (20% to 50%) 
 o Improves vehicle performance (greater acceleration and torque) 
 o Gives longer engine life (actually cleans the engine as it is driven) 
--------------------------------------------- Return to the top
#>#># Click here for a LARGER and UPDATED version of this website #<#<#
If You're Fed Up, Here's A Low-Cost Solution That will Save You 21% or More With Every Fill-Up! I'm Scott Mitchell and I'm an independent inventor with a B.Sc. in electronics.
In a nutshell, the Hydro-Gen separates hydrogen gas from the natural hydrogen-oxygen mix in standard tap water (i.e. H˛O). It then adds the resulting extracted hydrogen to the conventional air mix in a vehicle engine (e.g. gasoline, diesel, etc.) thus supplementing the expensive fuel with an additional low-cost (i.e. free) supplement -- the hydrogen extracted from the free tap water, of course!
 
Better Gas Mileage : Hydro-Gen users report an average 21% improvement in their fuel mileage. (Savings like that at the gas pump will add up very quickly).
More Efficient Engine : Hydro-Gen will reduce carbon build-up in your engine thus allowing it to run more efficiently. (Less carbon build-up means more horsepower).
Reduced Air Pollution : Hydro-Gen will reduce polluting carbon emissions from your engine. (You'll be doing your part to reduce global warming).
Unit Base Price Hydro-Gen $247.00
We have upgraded to a Heat Resistant, Carbon Impregnated ABS Generator. I have added many great options. (low fluid indicator etc).
--------------------------------------------- Return to the top
#>#># Click here for a LARGER and UPDATED version of this website #<#<#
# - on E-BAY auctions website : http://cgi.ebay.com/HYDROGEN-GENERATOR-SAVE-FUEL-GAS
HYDROGEN GENERATOR SAVE FUEL.GAS
Only real generator out, sealed unit is the only way - Item number: 5606002964 -
 
Feedback from another buyer:
   Is as described ,I was not impressed with results or shipping , do your research  Buyer   ortensier ( 97)   Apr-28-05 11:29  5761285186 
 If you want more information about his generator, send me an email and I will send pictures of the generator I cut in half.  My email address is uspitrading@yahoo.com or call me @ (323)610-9866.
Douglas
Personal comments : (Certainly the simplest model for sale, using only rods as electrodes, with straight DC on ! a waste of money, but it can may be create a fuel saving on small engines … )
--------------------------------------------- Return to the top
#>#># Click here for a LARGER and UPDATED version of this website #<#<#
 # -  http://www.freeenergynews.com/index.html  
Bob Boyce tells about how he built a carburetor using hydrogen and oxygen split using proper frequencies
From: "Bob Boyce" 
… into hydrogen research where I was building small electrolyzer type units that used distilled water mixed with an electrolyte and I would resonate the plates for optimal conversion efficiency. I discovered that with the right frequencies, I was able to generate monoatomic hydrogen and oxygen, which when recombined, produces about 4 times the energy output of normal diatomic hydrogen and oxygen molecules since the process of combustion does not have to break apart the molecules first before recombining into water vapor. Diatomic hydrogen requires about 4% to air to produce the same power as gasoline, while monoatomic requires slightly less than 1% to air for the same power. The only drawback was storage at pressure causes the monoatoms to start joining into diatomic pairs, and the mixture weakens, so it must be produced on-demand and consumed right away. I used modified LP carbs on the boat engines to deal with using vapor fuel. I even converted an old chrysler with a slant six engine to run on the hydrogen setup and we tested it in the shop.
…It requires a lot of plates made of 316 stainless so it will withstand the more exotic electrolytes that are more efficient, a plastic box to contain the plates, 1/8" spacers to keep the rows of plates apart, the electrolyte, and an adjustable frequency modified psuedo-sinewave inverter can be used for the drive electronics. I used 61 of the 6" square plates to give a large surface area and scoured the surfaces with coarse sandpaper in an "X" pattern to give a fine crosshatch grain to add fine sharp points. I found this improved efficiency as well. The top of the box had two threaded ports, a small one for injecting replacement distilled water, and a larger one for extracting the vapor. Under the top cover sitting on top of the plates I cut a piece of plastic matting to prevent sloshing. It's very important to keep the total electrolyte level at or below the tops of the plates to prevent voltage from bypassing any cells and creating excessive water vapor. I placed a 5 PSI cutoff switch in a tee on the water injection port that shut the drive electronics down when the pressure in the unit hit 5 PSI. This allowed the unit to be able to supply on demand without building up too much pressure in low demand situations. I built a bubbler from a large home cartridge type water filter housing to prevent any backfire from traveling back up the fuel feed to the unit. Without some sort of bubbler you run the risk of the unit exploding if a flame front from the engine flows back to it. I have seen copper mesh screens designed for welding gasses offered for use on plans I seen years later online for similar devices, but hydrogen has a much higher flame propagation speed so the copper mesh may not be reliable enough to risk using. Place the unit close to the engine to limit the amount of monoatom loss to diatomic recombination and feed the fuel vapor to the vapor portion of an LP carb system. The carb will have to be modified for hydrogen use (different mixture rate than propane) and adjusted with the system running for best performance. The best electrolytes I found to use were sodium hydroxide and potassium hydroxide. While sodium hydroxide works well, it's much easier to get (red devil lye in most department stores) than the much harder to get but slightly more efficient potassium hydroxide. Whatever you do, be very careful of materials! Make absolutely sure they are compatible with the electrolyte used. Never use glass containers for mixing or storing potassium hydroxide!
http://freeenergynews.com is a very complete website about alternative energies, visit it !
--------------------------------------------- Return to the top
#>#># Click here for a LARGER and UPDATED version of this website #<#<#
 # - CARL CELLA system :http://www.hasslberger.com/tecno/hydrogen.htm
 http://www.inlex.org/water/water.html  /  found in a recent issue of Nexus magazine:

A WATER FUELLED CAR by Carl Cella ; I am the madman behind the US heavy-metal band, "Rampage", but long before my musical success I was mechanically inclined, and the possibility of running a car on fuel extracted from water intrigued me no end. After reading all the information I could find on the subject of hydrogen generators, I built my first actual unit in 1983, mounting it in the trunk of a 1979 Cadillac Coupe de Ville.
 http://www.cyberspaceorbit.com/hfsystems.htm 
Date: 1/15/03 1:06:10 AM Pacific Standard Time ; hi kent ;  Here is a real operating unit still need a percentage of fuel to keep the carbon around the rings. That's  why you have to run a car in for a few thousand miles. Without the carbon the engine will not last . That's the only reason the system in the previous file will fail. The fuel this unit generates is not hydrogen oxygen; it's nitrogen hydroxide, nitrogen hydrogen and oxygen combined. If you look the motor is a 253 v8 with a lawn mower carby 1 inch bore. 
The system is fairly basic: 316 stainless 100mm pipe anode ,80mm pipe cathode inside the other one roughly equal surface area anode and cathode perspex end caps 1 12 volt relay 1 bleed valve to allow atmospheric air in . This is how the nitrogen is replaced. The atmosphere is over 70% nitrogen; the real work is done by the vacuum generated by the engine plus the 12 volt current . The only catalyst is a grain or two of rock salt. When you turn the thing off it generates 13 to 14 volts for a while. The car in the picture did 3000 mile on $20 fuel [petrol] [roughly [2 gallons] and two liters of water.

 # - from : http://www.spiritofmaat.com/archive/feb2/carplans.htm
Convert Your Car to Run on Water - Plans and Instructions - from an anonymous source
Full plans at : http://www.spiritofmaat.com/archive/feb2/carplans.zip 
--------------------------------------------- Return to the top
#>#># Click here for a LARGER and UPDATED version of this website #<#<#
HYDROSTAR system :
 
 
  
 
A website selling the plans for the HYDROSTAR :
More than just plans. (AND NOT THE 5-6 PAGE REPORT SELLING ELSEWHERE ON EBAY FOR $5) This is a 94-page plans and manual set that is complete in every detail. Meticulously reworked and refined to make it totally functional and safe. 

An Incredibly Affordable System That Provides FREE Energy! 
Now you can run any vehicle on FREE energy! The HydroStarTM can power your engine with the incredible energy of hydrogen, nature's perfect fuel. It's more powerful than gas, but it's trapped in every drop of water. And only the HydroStar can efficiently free hydrogen's potent energy! 
Easy, Inexpensive Conversion 
Best of all, the HydroStar is a simple "add-on" conversion. You don't have to throw away or replace any part of your existing vehicle, whether it's a car, truck, motorcycle, airplane, boat or van. 
The prototypical HYDROSTAR SYSTEM schematic is an exclusive offer made available only through Power Products and is in advance of the full system kit slated for release Fall of 2008.
No exotic parts are used in the HydroStar, so it's inexpensive. You need the advanced HydroStar System! The instructions are step-by-step and clearly illustrated to make assembly and installation an easy process to follow. And, as with all Power Products, the HydroStar system is fully guaranteed. You can't lose! 
 
  
 
New Idea?  The HydroStar is unique - nothing else compares to it. It's compact, inexpensive, relatively easy to assemble, and totally reliable. But, the actual idea of using hydrogen is over a century old; it goes back to the very first engine. It was a great idea, but nobody could figure out how to turn the concept into reality. 
Hydrogen Engines in the News (Courtesy of BIG OIL)    We keep hearing glorious things about our next generation of vehicles; they will use fuel cells. The energy output of fuel cells is hydrogen - wonderful, clean-burning, hydrogen. The BIG PROBLEM is, fuel cells still have to be fueled with petroleum products (gas, diesel, kerosene, oil, etc.). The BIG OIL BOYS keep doing it to us! But, there's an easy and exciting way out of this dilemma...
# - Replication, improvement of the HYDROSTAR, by Chemelec : http://www3.telus.net/chemelec
how the pulse waveform is generated; there are many ways to generate pulses, and the attached diagrams show a few.
 
 
An Analysis of the Hydrostar Generator "Here is a Partial Improved Revision, Based on his Design." Chemelec.
 
PWM Control for a "Simple Hydrogen Generator"  Latest Revisions: "April 18 2005.
"This Circuit has been Tested and functions correctly, as a Pulse Generator for this purpose". This Circuit Board Also Includes a Fine Frequency Adjust and on-board switches.
 
 
DANGER: Hydrogen IS VERY EXPLOSIVE. // Be Very Careful with How you do all this stuff.
 
 
This Cell uses Stainless Steel Plates and has an Effective Plate area of:
Each plate is 2 X 5.25 Inches = 10.25 Square Inches.
There are Effectively 11 Parallel Sets of plates with a spacing of .015 Inch. Each plate has a .019 Inch Thickness.
 = Total area for Hydrogen Generation is 115.5 Square Inches.
--------------------------------------------- Return to the top
#>#># Click here for a LARGER and UPDATED version of this website #<#<#
# - http://www.futurehorizons.net/ just plans for sale.
Fuel from Water ; Learn how to build an electrolyser fuel cell. Learn how to get free energy from splitting hydrogen and oxygen atoms that make up water. Also includes plans for converting your car to run on water. We have also included plans for a simple device that can be constructed from pvc plumbing parts to produce large amounts of hydrogen. This device ran a small gas engine successfully. Lots of How-To info.
 Construction Plans and Info  
 
--------------------------------------------- Return to the top
# - From :http://educate-yourself.org/fe/fewaterasfuel28jan02.shtml
The Freedom Reclamation Project 
CONVERT YOUR ENGINE TO BURN HYDROGEN AND OXYGEN  VAPOR FROM WATER ON DEMAND + POLLUTION-FREE  - ZPV: ZERO POLLUTON VEHICLE  - VIRTUALLY FREE ENERGY  - FREEDOM FROM GA$OLINE  - SIMPLE AND INEXPENSIVE CONVERSION  - ON DEMAND' VAPOR RATE (i.e. THROTTLE )
 -	EASY TO FOLLOW DO-IT-YOURSELF PLANS - HELP CLEAN THE AIR WHILE YOU SAVE MONEY 
#>#># Click here for a LARGER and UPDATED version of this website #<#<#
  --------------------------------------------- 
 Electrolysis menu :  CARS  -   LORRIES/GENERATORS -  WELDING -  HYSTORY and PATENTS - TRICKS - OWN REALIZATION
 --------------------------------------------- 
 
 Home -Introduction -Conclusion -Site Map -  Links 
Water Electrolysis Systems  - Water Explosion Systems -  Water Plasma Systems - Other Water Dissociation Systems - Other Systems
  |